1. 실험기구 및 재료
- Function Generator, Ociloscope, DC Power supply
- Diode(1N4004) 4개, 1kΩ 저항 1개, 4.7, 22, 220uF 커패시터 1개씩
2. 실험 방법
2.1 회로 구성 및 연결
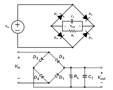
[회로1] 브릿지 전파 정류회로(Full Wave Bridge and Regulator)
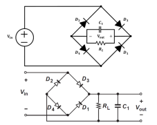
[회로2] 브릿지 전파 정류회로 with 커패시터
[회로3] 양의 클리퍼 회로(Parallel-Positive Limter)
[회로4] 음의 클리퍼 회로(Parallel-Negative Limter)
[회로5] 양의 클리퍼 회로 with 순방향 바이어스 (Parallel-Positive Limiter with positive bias)
[회로6] 음의 클리퍼 회로 with 역방향 바이어스 (Parallel-Negative Limiter with negative bias)
[회로7] Dual-다이오드 클리퍼 회로(Dual-Diode Limiter)
[회로8] Dual-다이오드 클리퍼 회로 with 바이어스
2.1.1 브릿지 전파 정류회로
- [회로1] 브릿지 전파 정류회로


- [회로2] 브릿지 전파 정류회로 with 커패시터


2.1.2 클리퍼(리미터) 회로
- [회로3] 양의 클리퍼 회로(Parallel-Positive Limter)



- [회로4] 음의 클리퍼 회로(Parallel-Negative Limter)



- [회로5] 양의 클리퍼 회로 with 순방향 바이어스 (Parallel-Positive Limiter with positive bias)



- [회로6] 음의 클리퍼 회로 with 역방향 바이어스 (Parallel-Negative Limiter with negative bias)



- [회로7] Dual-다이오드 클리퍼 회로(Dual-Diode Limiter)



- [회로8] Dual-다이오드 클리퍼 회로 with 바이어스 (Dual-Diode Limiter with bias)



2.2 실험 장비 설정 및 측정
2.2.1 브릿지 전파 정류회로 실험 장비 설정
- 주파수 : 60Hz
- 진폭 : 5Vpp
- 오프셋 : 0V
- 파형 : sin파
- <회로1, 2> 𝑉𝑜𝑢𝑡측정
2.2.2 클리퍼 회로 실험 장비 설정 및 측정
-주파수 : 1kHz
-진폭 : 10Vpp
-오프셋 : 0V
-파형 : sin파
<회로3,4,7> 𝑉𝑜𝑢𝑡측정
<회로5,6> 𝑉𝐵1: 1~5 V sweep하여𝑉𝑜𝑢𝑡 측정(step: 1V)
<회로8> 𝑉𝐵1, 𝑉𝐵2: 1~5 V sweep하여 𝑉𝑜𝑢𝑡측정(step: 1V)
→𝑽𝑩증가에 따른 𝑽𝒐𝒖𝒕값을 cursor를 이용해 확인
3. 실험 결과
[회로1] 브릿지 전파 정류회로
※ 주의 : 같은 오실로스코프로 측정하면 같은 접지로 측정하게 되면 V_in의 파형의 음의 방향이 사라진다.
신호하나 당 오실로스코프 한 개로 사용하여 측정하면 다음과 같이 된다.
- 다이오드는 순방향 도통 시 약 0.7 전압 강하가 발생하여 브릿지 회로에서 한 번에 두 개의 다이오드가 도통하면, 총 2V_D 만큼의 전압 강하가 발생
- 다이오드의 개수가 증가하는 만큼 𝑉𝑜𝑢𝑡값이 V_D(다이오드 턴온전압) 만큼 감소한다.


[회로2] 브릿지 전파 정류회로 with 커패시터
- 4.7uF, 22uF, 220uF
- 커패시턴스 값에 따라 전압 강하의 시간이 천천히 떨어지므로 다음과 같이 턴온전압 감소한 만큼 출력을 일정하게 가져 갈 수 있다.



[회로3] 양의 클리퍼 회로(Parallel-Positive Limter), [회로4] 음의 클리퍼 회로(Parallel-Negative Limter)
- 이름 그대로 양(+)의 신호, 음(-)의 신호를 각각 잘라버린다.
- 입력 전압이 0.7V를 초과할 때부터 다이오드가 도통하여 전류가 흐르게 되므로 0.7V, -0.7V에서 각각 클리핑된다.
-> 제너 다이오드를 사용하면 해결할 수 있다.


[회로5] 양의 클리퍼 회로 with 순방향 바이어스 (Parallel-Positive Limiter with positive bias)
- 순방향 바이어스 만큼 클리퍼 시키 기준 전압이 올라간다. 밑에 식과 같이 V_B+V_D이다.


- V_B = 1, 2, 3, 4, 5 [V]일 떄






[회로6] 음의 클리퍼 회로 with 역방향 바이어스 (Parallel-Negative Limiter with negative bias)


- V_B = 1, 2, 3, 4, 5 [V]일 떄






[회로7] Dual-다이오드 클리퍼 회로(Dual-Diode Limiter)
- 온전히 클리퍼 되어 0V가 나올 것으로 예상했지만, 다이오드 턴온 전압만큼 클리핑된다.

[회로8] Dual-다이오드 클리퍼 회로 with 바이어스








4. 결론 및 고찰
4.1 브릿지 전파정류회로 :효과적으로 AC 신호를 DC로 변환(전원 공급 장치, 배터리 충전기 활용)
브릿지 전파 정류회로는 AC 입력 신호의 양쪽 반주기를 모두 정류하여 DC 출력 신호를 생성하는 회로이다. 기본적인 브릿지 정류회로는 네 개의 다이오드로 구성되며, 입력 신호의 극성이 변함에 따라 두 개의 다이오드가 교대로 도통하여 항상 같은 방향의 전류가 부하에 흐르도록 한다. 이 회로에서는 다이오드가 두 개씩 직렬로 동작하므로, 출력 전압은 입력 전압에서 다이오드의 순방향 전압 강하에 의해 감소한다. 실리콘 다이오드를 사용할 경우, 다이오드 하나당 약 0.7V의 전압 강하가 발생하며, 총 2개의 다이오드가 동시에 도통하므로 출력 전압은 감소하여 나타난다. 실험을 통해 이와 같은 전압 강하 현상을 확인할 수 있었다. 또, 브릿지 정류회로에 커패시터를 추가하면 출력 파형이 평활화되는 효과가 나타났다. 이는 커패시터가 충전 및 방전을 반복하며 리플 전압을 감소시키기 때문이다. 실험 결과, 커패시터의 용량이 클수록 리플 전압이 감소하고 더 평탄한 DC 전압을 얻을 수 있음을 확인할 수 있었다. 그러나 너무 큰 커패시터를 사용할 경우 초기 충전 시 인러시 전류가 커져 부품의 손상 가능성이 증가할 수 있으므로 적절한 용량을 선택하는 것이 중요하다.
4.2 리미터 회로 : 다이오드와 바이어스를 적절히 활용함으로써 원하는 신호 범위를 조절할 수 있는 회로
리미터 회로는 입력 신호의 특정 전압 이상 또는 이하를 제거(클리핑)하여 출력 신호의 범위를 제한하는 역할을 한다. 이번 실험에서는 양의 클리퍼, 음의 클리퍼, 그리고 바이어스가 추가된 클리퍼 회로를 분석하였다.
일반적인 양의 클리퍼 회로에서는 입력 신호가 다이오드의 턴온 전압(실리콘 다이오드 기준 약 0.7V)을 초과하면 다이오드가 도통하여 출력이 일정 전압 이상 올라가지 못하게 된다. 반면, 음의 클리퍼 회로에서는 입력 신호가 -0.7V 이하로 내려갈 경우 다이오드가 도통하여 일정 전압 이하의 신호가 잘리게 된다. 이 과정에서 다이오드의 순방향 전압 강하로 인해 이상적인 클리핑이 아닌 0.7V의 오차를 포함한 클리핑이 발생함을 확인할 수 있었다.또한, 바이어스를 추가한 클리퍼 회로에서는 클리핑 전압을 원하는 값으로 조절할 수 있었다. 양의 클리퍼 회로에 순방향 바이어스를 추가하면 클리핑 전압이 로 이동하며, 음의 클리퍼 회로에 역방향 바이어스를 추가하면 클리핑 전압이 로 변경됨을 실험을 통해 확인하였다.
마지막으로, 듀얼 다이오드 클리퍼 회로에서는 입력 신호의 양쪽 극단을 제한할 수 있었다. 이 회로에서는 양의 방향과 음의 방향 모두에서 클리핑이 발생하며, 바이어스를 추가하면 클리핑 한계를 원하는 값으로 조정할 수 있었다. 따라서 듀얼 다이오드 클리퍼 회로는 신호의 특정 범위를 유지하는 데 효과적이며, 다양한 신호 제어 응용에 활용될 수 있음을 실험을 통해 알 수 있었다.
5. 참고
[1] https://www.youtube.com/watch?v=TwFZzm0JxCQ&t=767s
[2] https://doctorinformationgs.tistory.com/206
[3] Dual-Diode Limiter - Wave Shaping - Basics Electronics
'Electrical engineering > 전자회로' 카테고리의 다른 글
| [이론] Common Collector Amplifier (0) | 2025.04.24 |
|---|---|
| [이론] Common Emitter Amplifier (BJT) (0) | 2025.04.17 |
| [이론] 전압 분배 바이어스 회로, 자기 바이어스 회로 (0) | 2025.04.10 |
| [실험] BJT 전류-전압 특성 실험 (0) | 2025.04.10 |
| [실험] PN 접합 다이오드 전류-전압 특성 측정하기 (0) | 2025.03.27 |