실험 5. 전압 분배 바이어스 회로, 자기 바이어스 회로
1. 실험 목적
전파 정류회로와 리미터 회로의 기본 원리와 동작 메커니즘을 이해하고, 실제 회로 구성을 통해 다이오드의 순방향/역방향 특성을 분석하며, 브릿지 정류회로 및 리미터 회로의 구현을 통해 교류 신호의 정류 및 제한 과정을 학습한다.
2. LTSpice 시뮬레이션
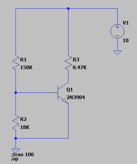
전압분배 바이어스(Voltage Divider Bias) 회로


제일 위에 3번째 줄까지는 점으로 표시되어 있는 노드들의 전압을 표현했는데 위에서 부터 n001, n002, n003 이다
- BJT 전압이득 계산
β = Ic / Ib
β = 0.00710907 A / 2.27407e-5 A
β = 312.61
- BJT 동작영역(모드) : Active
- V_BE = V_BE=V(n003) = V(n003)−0 = 0.705952V
- V_BC= V(n003)−V(n002) =0.705952V−6.65874V = −5.952788V
=> V_BE 순방향 바이어스 V_BC가 역방향 바이어스
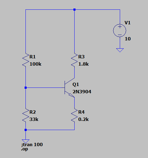
자기 바이어스 회로 (Self-Bias Circuit)


n004 노드는 트랜지스터 Q1의 이미터(Emitter) 단자에 해당
- BJT 전압이득 계산
β = Ic / Ib
β = 0.00493866 A / 3.1787e-5 A
β = 155.37
- BJT 동작영역(모드) 판단 : 포화 영역(Saturation Region)
- VBE = V(n003) - V(n004) = 1.6925V - 0.99409V = 0.69841V
- VBC = V(n003) - V(n002) = 1.6925V - 1.11041V = 0.58209V
=> VBE와 VBC 모두 순방향 바이어스
회로 예제 문제(전압 분배 + 자기 바이어스 회로)

- 동작점(Q-point) 계산 : 베이스-이미터 루프 방정식:
1. 베이스 전압(V_B)를 구하기


2. 이미터 전압 (V_E)


3. 이미터 전류 구하기

4. 콜렉터 전류는 (이미터 전류 + 베이스 전류)


5. 콜렉터 전압 구하기

6. 콜렉터-이미터 전압(V_CE) 구하기

- 부하선(Load line)
콜렉터 전류와 콜렉터-에미터 전압 사이의 관계


'Electrical engineering > 전자회로' 카테고리의 다른 글
| [이론] Common Collector Amplifier (0) | 2025.04.24 |
|---|---|
| [이론] Common Emitter Amplifier (BJT) (0) | 2025.04.17 |
| [실험] BJT 전류-전압 특성 실험 (0) | 2025.04.10 |
| [실험] 브릿지전파정류회로와 클리퍼 회로 (0) | 2025.04.01 |
| [실험] PN 접합 다이오드 전류-전압 특성 측정하기 (0) | 2025.03.27 |